管道配管隔(ge)熱層材(cai)料的(de)選用主(zhu)要(yao)遵循以(yi)下幾點要(yao)求:
一、導熱(re)系數(shu)的(de)要求
(1)保溫(wen)材料在平均溫(wen)度為70℃時,其導熱(re)系數不(bu)得大于0.080W.080W/(m·K)。
(2)用于(yu)保冷的(de)泡沫(mo)塑料及其制品在平均(jun)溫度(du)為25℃時(shi)的(de)導(dao)熱(re)系數不應大于(yu)0.044W/(m·K)。與GB 50264、SH/T3010、GB/T 4272等規范是一致的(de)。
(3)泡沫橡塑制品在平均溫度為0℃時的導熱系數不應(ying)大(da)于0.036W/(m·K)。
(4)I類泡(pao)沫玻璃制品在平均溫(wen)度為25℃時的導熱(re)系數(shu)不應(ying)(ying)大于(yu)0.045W/(m·K),類泡(pao)沫玻璃制品在平均溫(wen)度為25℃時的導熱(re)系數(shu)不應(ying)(ying)大于(yu)0.064.064W/(m·K)。
二(er)、隔熱材料(liao)密度、硬度和pH值的(de)要(yao)求
硬質保溫材料的密(mi)度不(bu)應大(da)于(yu)300kg/m3,保冷材料制品的密(mi)度不(bu)應大(da)于(yu)200kg/m3,半硬質、軟質保溫材料制品密(mi)度不(bu)應大(da)于(yu)200kg/m3。
硬質(zhi)保溫材(cai)料(liao)的抗壓(ya)強度不(bu)應(ying)(ying)小于(yu)0.4MPa,硬質(zhi)保冷(leng)材(cai)料(liao)的抗壓(ya)強度不(bu)應(ying)(ying)小于(yu)0.15MPa。隔熱材(cai)料(liao)制品(pin)的pH值(zhi)不(bu)應(ying)(ying)小于(yu)7。
三(san)、隔熱材料應符合的標準
用于(yu)與奧(ao)氏體不銹鋼表面接(jie)觸的(de)(de)隔(ge)熱(re)材料(liao)應(ying)符合(he)GB/T 50185《工業設備及管道絕熱(re)工程施工驗(yan)收規范(fan)》有關氯離子含量的(de)(de)規定。硬質隔(ge)熱(re)材料(liao)不宜(yi)用于(yu)有振動的(de)(de)管道。
四、隔熱材(cai)料其他性能要求
(1)隔熱材料制(zhi)品應具(ju)有安全使用溫度(du)和(he)燃燒性(xing)(xing)能(不燃性(xing)(xing)、難燃性(xing)(xing)、可燃性(xing)(xing))資料。
(2)隔熱材料制品(pin)應具備防潮(chao)性(xing)(xing)能(吸水(shui)(shui)(shui)性(xing)(xing)、吸濕性(xing)(xing)、防水(shui)(shui)(shui)性(xing)(xing))資料。保溫材料含水(shui)(shui)(shui)不得(de)大于7.5%(質(zhi)量),保冷(leng)材料的含水(shui)(shui)(shui)率不得(de)大于1%(質(zhi)量)。
(3)隔熱(re)材料制(zhi)品(pin)應具有抗大氣腐蝕性、化學(xue)穩定(ding)性、熱(re)穩定(ding)性、渣球含(han)量、纖(xian)維直徑等測(ce)試報告。
(4)設備(bei)和管道(dao)的(de)保溫(wen)結(jie)構應由非燃(ran)燒材料(liao)組(zu)成(cheng);保冷(leng)結(jie)構可由阻燃(ran)材料(liao)組(zu)成(cheng),阻燃(ran)性保冷(leng)材料(liao)制(zhi)(zhi)品的(de)氧指數不應小于30。設備(bei)和管道(dao)的(de)隔(ge)熱層除必須采(cai)用(yong)填充式結(jie)構外,宜選用(yong)隔(ge)熱材料(liao)制(zhi)(zhi)品;保溫(wen)材料(liao)制(zhi)(zhi)品的(de)最高安全(quan)使用(yong)溫(wen)度(du)應高于設備(bei)和管道(dao)的(de)設計溫(wen)度(du);保冷(leng)材料(liao)制(zhi)(zhi)品的(de)允許使用(yong)溫(wen)度(du)應低于設備(bei)和管道(dao)的(de)設計溫(wen)度(du)。
絕熱層材料按照被絕熱的工藝設備和管道外(wai)表(biao)面溫度(du)不(bu)同(tong),其燃(ran)燒性(xing)能應(ying)符(fu)合現行國家標(biao)準GB 8624《建筑材料燃(ran)燒性(xing)能分級(ji)方法》規定的燃(ran)燒等級(ji),并應(ying)符(fu)合下列規定:
①. 被絕熱的設(she)備與管(guan)道外表面溫度(du)T。大于(yu)100℃時(shi),絕熱層材料應符合不燃類A級(ji)材料性能要(yao)求。
②. 被絕熱的(de)(de)設備(bei)與(yu)管(guan)道外(wai)表面溫度T。小于或等于100℃時,絕熱層材料不(bu)得(de)低于難燃類(lei)B1級(ji)材料的(de)(de)性能要求。
③. 被絕熱的(de)設備與管(guan)道外表面溫度T。≤50℃時,有(you)保護層的(de)泡沫(mo)塑料(liao)類絕熱層材料(liao)不得低于一(yi)般可(ke)燃性B2級材料(liao)的(de)性能要求(qiu)。
(5)隔(ge)熱(re)材料的(de)防水率應(ying)大(da)于(yu)或等于(yu)95%;軟質隔(ge)熱(re)材料制品(pin)的(de)回彈率應(ying)大(da)于(yu)或等于(yu)90%。
(6)對(dui)硬(ying)質材料必須提供線膨脹或收縮率數(shu)據。
(7)隔熱材料應是隔熱性能(neng)(neng)好,并有明確的(de)導(dao)熱系數方程式(shi)或(huo)隨溫度變化(hua)的(de)導(dao)熱系數圖表。進行絕(jue)熱計算時可采(cai)用GB 50264《工業設備及管道絕(jue)熱工程設計規(gui)范》中附錄A常(chang)用絕(jue)熱材料性能(neng)(neng)規(gui)定的(de)數據。
五、綜合選用
(1)有多種可供(gong)選擇的隔熱材(cai)料時,應(ying)首先選用導熱系(xi)數小(xiao)、密(mi)度(du)小(xiao)、強度(du)相對高、無(wu)腐蝕性、損耗(hao)小(xiao)、價格低(di)、運輸(shu)距離(li)短、施工條件(jian)好的制品。
(2)如不能(neng)同時滿足,應優先選用密度(du)小、綜合經濟(ji)效益高(gao)的材料(liao)或(huo)制品(pin)。
(3)設備和管道表面溫度(du)高于或等于450℃時(shi),宜選用(yong)復合隔熱材料(liao)制品。
(4)保冷應選用閉孔(kong)型的材料制(zhi)品,不(bu)宜選用纖維質材料制(zhi)品。
(5)選用纖(xian)維材料(liao)制(zhi)品時,除(chu)管殼外,氈席類制(zhi)品應由(you)玻璃布或鐵絲網縫制(zhi)。
(6)不宜選用石(shi)棉(mian)材料及(ji)其制品。
(7)隔熱材料及其制(zhi)品在長期(qi)運(yun)行時,材料無(wu)變形(xing)、熔化、焦化、疏脆、松散、失(shi)強等現(xian)象。
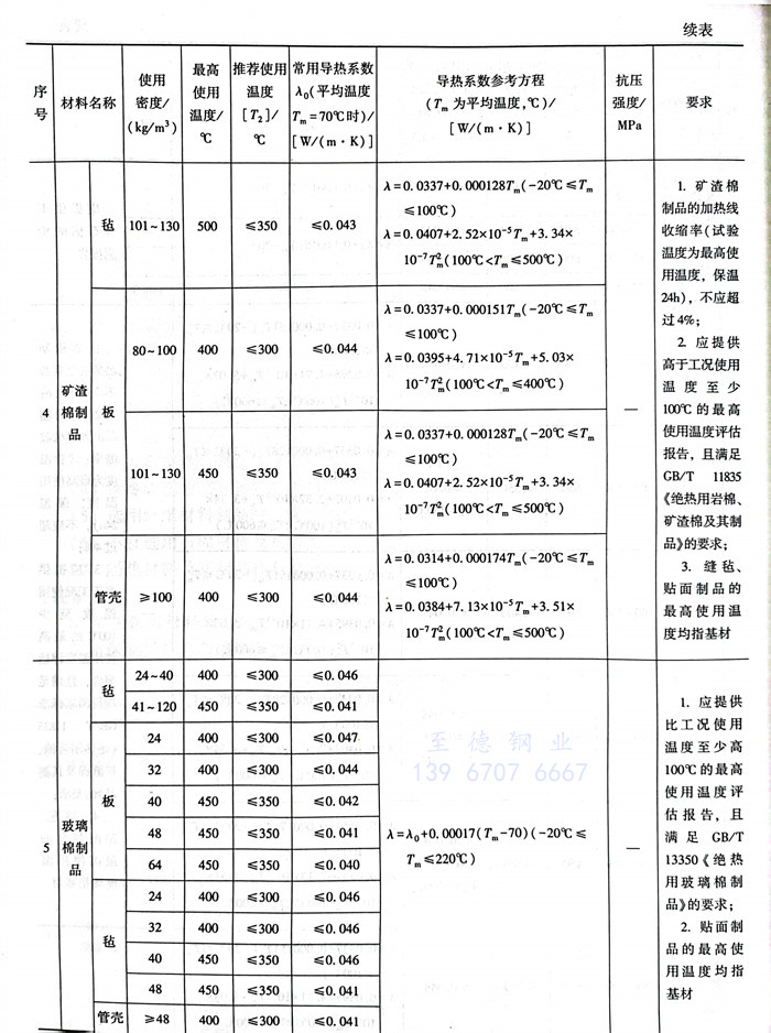
六(liu)、常用保溫(wen)材料的選(xuan)用
常(chang)用保溫材料的選用見(jian)表(biao)7.1.2。





